De Socket Welding Flange herdefinieert hogedruk pijpleidingverbindingen door superieure sterkte te integreren met naadloze vloeistofdynamica, ontworpen om ongeëvenaarde prestaties te leveren in compacte toepassingen met hoge inzet. Deze flens is ontworpen voor pijpen met een kleine diameter en maakt gebruik van een moflasconfiguratie die de lasverbinding in de flens zelf inkapselt, waardoor externe lasuitsteeksels worden geëlimineerd en de stromingsweerstand wordt geminimaliseerd - een cruciaal voordeel in systemen waar turbulentiereductie en hygiëne van het grootste belang zijn. De verborgen las stroomlijnt niet alleen de reiniging en inspectie in steriele omgevingen zoals farmaceutische of voedselverwerkende fabrieken, maar verbetert ook de structurele integriteit en is bestand tegen trillingen en drukstoten in olie- en gasraffinaderijen, chemische reactoren of hogedrukstoomleidingen. Het is met precisie vervaardigd uit gesmeed koolstofstaal of roestvrij staal en combineert corrosiebestendigheid met uitzonderlijke treksterkte, waardoor een lekvrije afdichting wordt gegarandeerd, zelfs onder extreme temperaturen en druk.
| Diameterbereik | DN15(1/2")-DN150(6") |
| Drukklasse | 1,6-16 MPa |
| Certificaat | PED, AD2000, EAC, ABS, BV, DNV, NORSOK M650, ISO9001, ISO14001, ISO45001, enz. |
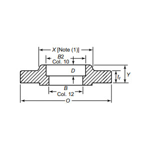
| Functie introductie | Moflasverbinding, Verborgen lasontwerp vermindert de stromingsweerstand, Geoptimaliseerd voor hogedruktoepassingen met kleine diameter, Superieure afdichtingsprestaties |
| Toepassingsgebieden | Van toepassing op pijpflensverbindingen in olie- en gaspijpleidingen over lange afstanden, offshore-platforms, chemische apparatuur, waterbehandelingssystemen en de voedingsmiddelen- en farmaceutische industrie, aangepast aan complexe werkomstandigheden. |
| Verpakking | Zeewaardig pakket, multiplexkoffers of pallet of volgens de eis van de klant |
| Uitgelichte producten | 1、 Minimale bestelling voor kleine batches; |
Het compacte ontwerp vereenvoudigt de installatie in krappe ruimtes, terwijl de robuuste verbinding bestand is tegen cyclische thermische uitzetting, waardoor deze ideaal is voor offshore-platforms, turbines voor energieopwekking en hydraulische systemen. Door potentiële zwakke punten te elimineren en de onderhoudscycli te verkorten, stelt deze flens industrieën in staat prioriteit te geven aan veiligheid zonder de efficiëntie in gevaar te brengen. Ondersteund door naleving van de ASME B16.5-normen en rigoureuze niet-destructieve tests, garandeert het betrouwbaarheid bij bedrijfskritische operaties. Voor ingenieurs die op zoek zijn naar een compacte hogedrukoplossing die duurzaamheid combineert met vloeistofoptimalisatie, is de Socket Welding Flange de ultieme keuze. Verbeter uw infrastructuur vandaag nog met onze nauwkeurig ontworpen flenzen, waarbij innovatie en veerkracht samenkomen, waardoor uw systemen met precisie, veiligheid en onwrikbaar vertrouwen kunnen presteren. Kies uitmuntendheid, kies uithoudingsvermogen en transformeer het potentieel van uw pijplijn.
Van grondstof tot uiteindelijke levering, we handhaven in elke fase strenge controles om duurzaamheid, prestaties en consistentie te garanderen.
01
02
03
04
05
06
07
08
09
10
11
12
