De Lap Joint Flange herdefinieert de flexibiliteit in leidingsystemen en biedt een dynamische oplossing voor het beheersen van thermische uitzettings- en krimpspanningen, terwijl naadloze demontage in lagedruktoepassingen mogelijk wordt. Dit innovatieve ontwerp combineert een robuuste flensring met een draaibaar geflensd onderdeel en maakt gecontroleerde axiale beweging van pijpleidingen mogelijk, waardoor temperatuurgeïnduceerde verschuivingen effectief worden geabsorbeerd zonder de structurele integriteit in gevaar te brengen. Verkrijgbaar in twee configuraties: Butt Weld Ring Type (PJ/SE) voor zeer nauwkeurige lasverbindingen en Flat Weld Ring Type (PJ/RJ) voor vereenvoudigde installatie. Het komt tegemoet aan diverse operationele behoeften terwijl de lekvrije prestaties behouden blijven. De flens is vervaardigd uit hoogwaardig koolstofstaal of roestvrij staal en is bestand tegen corrosie en mechanische slijtage, waardoor betrouwbaarheid wordt gegarandeerd in industrieën zoals chemische verwerking, waterbehandeling en voedselproductie, waar regelmatig onderhoud of upgrades van apparatuur routinematig zijn.
| Diameter | DN50 (2 ") -DN2000 (80") |
| Druk | 0,6-2,5 MPa |
| Certificaat | PED, AD2000, EAC, ABS, BV, DNV, NORSOK M650, ISO9001, ISO14001, ISO45001, enz. |
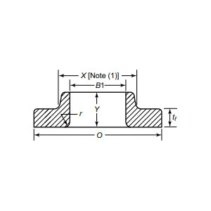
| Functie introductie | Gecombineerd met flensring en flenzen, maakt axiale verplaatsing van de pijpleiding mogelijk en vermindert de thermische uitzettingsspanning. Uitvoeringen: stomplasring (PJ/SE) en platte lasring (PJ/RJ). Geschikt voor lagedrukleidingen die frequente demontage vereisen. |
| Toepassingsgebieden | Van toepassing op pijpflensverbindingen in olie- en gaspijpleidingen over lange afstanden, offshore-platforms, chemische apparatuur, waterbehandelingssystemen en de voedingsmiddelen- en farmaceutische industrie, aangepast aan complexe werkomstandigheden. |
| Verpakking | Zeewaardig pakket, multiplexkoffers of pallet of volgens de eis van de klant |
| Uitgelichte producten | 1、 Minimale bestelling voor kleine batches; |
Het roterende mechanisme vereenvoudigt de uitlijning tijdens de montage, waardoor de arbeidskosten en uitvaltijd in systemen zoals hydraulische machines, HVAC-netwerken of modulaire industriële opstellingen worden verminderd. Door de beweging van de flens te isoleren van spanningen in de pijpleiding, wordt de levensduur van pakkingen en bouten verlengd, waardoor de vervangingskosten op de lange termijn worden verlaagd. Van offshore-platforms die thermische compensatie vereisen tot farmaceutische fabrieken die steriele, eenvoudig te reinigen verbindingen nodig hebben, de Lap Joint Flange garandeert naleving van ASME- en EN-normen en past zich tegelijkertijd aan de veranderende operationele eisen aan. Ondersteund door rigoureuze tests en veelzijdige compatibiliteit, stelt het ingenieurs in staat veerkrachtige, toekomstbestendige infrastructuur te ontwerpen. Upgrade uw leidingsystemen vandaag nog met onze Lap Joint Flanges, waarbij precisietechniek en adaptieve kracht samenkomen, waardoor uw activiteiten kunnen gedijen in dynamische omgevingen. Kies voor flexibiliteit, kies voor uithoudingsvermogen en ontgrendel een nieuw tijdperk van efficiëntie.
Van grondstof tot uiteindelijke levering, we handhaven in elke fase strenge controles om duurzaamheid, prestaties en consistentie te garanderen.
01
02
03
04
05
06
07
08
09
10
11
12
