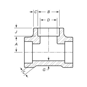
Een Forged Equal Tee is een kritische gesmede pijpfitting met drie openingen met dezelfde diameter, ontworpen om de vloeistof-, gas- of stoomstroom gelijkmatig in pijpleidingsystemen te splitsen of te combineren. In tegenstelling tot ongelijke T-stukken zorgt de symmetrische structuur voor een evenwichtige verdeling van de stroom, waardoor onevenwichtigheden in de druk worden geëlimineerd die de systeemprestaties zouden kunnen verstoren, waardoor het een basisproduct wordt in industriële toepassingen waar een consistente stroom van cruciaal belang is.
| Grootte | DN15(1/2“)~DN600(24“) |
| Drukniveau | Klasse 2000~6000 |
| Draadtype | NPT, BSPP, BSPT |
| Certificaat | PED, AD2000, EAC, ABS, BV, DNV, NORSOK M650, ISO9001, ISO14001, ISO45001, ENZ. |
| Functie introductie | Realiseer 45° pijpdraaien, ontwerp met schroefdraadverbinding bespaart installatieruimte, geschikt voor een compacte pijpleidinglay-out. |
| Toepassingsgebieden | Ontworpen voor hogedrukpijpleidingsystemen, geschikt voor aansluiting en besturing van belangrijke onderdelen zoals aardolieraffinage, kernenergieapparatuur, chemische apparatuur, keteldrukvaten, enz. |
| Verpakking | Zeewaardig pakket, multiplexkoffers of pallet of volgens de eis van de klant |
| Uitgelichte producten | 1、Minimale bestelling voor kleine batches; |
De voordelen zijn onder meer een robuuste structurele integriteit (smeden minimaliseert het risico op scheuren), gemakkelijke integratie (gelaste/schroefdraadverbindingen passen op standaardbuizen) en een lange levensduur. Door een uniforme stroming mogelijk te maken, vermindert het de slijtage van stroomafwaartse componenten, waardoor het essentieel is voor betrouwbare, efficiënte pijpleidingoperaties.
Van grondstof tot uiteindelijke levering, we handhaven in elke fase strenge controles om duurzaamheid, prestaties en consistentie te garanderen.
01
02
03
04
05
06
07
08
09
10
11
12
