De Weld Neck Flange is de ultieme oplossing voor omgevingen met hoge druk en hoge temperaturen, ontworpen om ongeëvenaarde betrouwbaarheid te leveren door zijn robuuste stompgelaste verbinding en nauwkeurig vervaardigd afdichtingsoppervlak. Deze flens is ontworpen voor kritische toepassingen en integreert naadloos met pijpleidingen via een stomplas met volledige penetratie, waardoor een monolithische structuur ontstaat die bestand is tegen extreme druk, thermische schommelingen en mechanische spanning, waardoor deze flens onmisbaar is in olieraffinaderijen, petrochemische fabrieken en kernenergiesystemen. Het taps toelopende nekontwerp versterkt niet alleen de structurele integriteit, maar minimaliseert ook de spanningsconcentratie, waardoor langdurige prestaties onder veeleisende omstandigheden worden gegarandeerd. Het productieproces, dat geavanceerd smeden, spanningsverlichtende warmtebehandeling, nauwkeurige afwerking, rigoureuze niet-destructieve testen (NDT) en corrosiewerende oppervlaktebehandelingen omvat, garandeert een onderdeel dat de industrienormen voor veiligheid en duurzaamheid overtreft.
| Diameter | DN15(1/2")-DN3500(138") |
| Druk | 0,25-25 MPa |
| Certificaat | PED, AD2000, EAC, ABS, BV, DNV, NORSOK M650, ISO9001, ISO14001, ISO45001, enz. |
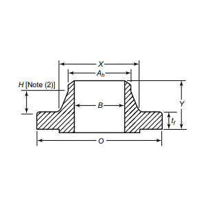
| Functie introductie | Butt-weld-verbinding zorgt voor een zeer sterke afdichting voor hogedruk- (HP) en hoge-temperatuur- (HT) toepassingen, waardoor lekvrije prestaties onder extreme omstandigheden worden gegarandeerd |
| Toepassingsgebieden | Van toepassing op pijpflensverbindingen in olie- en gaspijpleidingen over lange afstanden, offshore-platforms, chemische apparatuur, waterbehandelingssystemen en de voedingsmiddelen- en farmaceutische industrie, aangepast aan complexe werkomstandigheden. |
| Verpakking | Zeewaardig pakket, multiplexkoffers of pallet of volgens de eis van de klant |
| Uitgelichte producten | 1、Minimale bestelling voor kleine batches; |
Van onderzeese pijpleidingen die corrosief zeewater verdragen tot stoomturbines die bij verzengende temperaturen werken, de Weld Neck Flange zorgt voor lekvrije afdichting en operationele continuïteit. Industrieën die compromisloze kwaliteit vereisen, zoals vloeistofsystemen in de ruimtevaart of cryogene opslag, vertrouwen op het vermogen om de integriteit te behouden onder cyclische belasting en blootstelling aan agressieve media. Door superieure materiaalveerkracht te combineren met precisietechniek, verlaagt deze flens de levenscycluskosten door minimale stilstand en onderhoud. Voor ingenieurs die belast zijn met het beveiligen van infrastructuur waar veel op het spel staat, is de Weld Neck Flange de definitieve keuze. Verbeter vandaag nog de prestaties van uw systeem met onze premium Weld Neck Flanges, waarbij geavanceerde productie en industriële veerkracht samenkomen, waardoor uw activiteiten de extremen van druk, temperatuur en tijd kunnen overwinnen. Kies voor uitmuntendheid, kies voor uithoudingsvermogen en bouw een toekomstbestendige basis voor uw kritieke systemen.
Van grondstof tot uiteindelijke levering, we handhaven in elke fase strenge controles om duurzaamheid, prestaties en consistentie te garanderen.
01
02
03
04
05
06
07
08
09
10
11
12
