De Threaded Flange zorgt voor een revolutie in de connectiviteit van pijpleidingen door een veilige, lasvrije oplossing te bieden voor het verbinden van pijpen met schroefdraad, waardoor het de ultieme keuze is voor omgevingen waar veiligheid en aanpassingsvermogen niet onderhandelbaar zijn. Deze flens is ontworpen met nauwkeurige interne schroefdraad en kan naadloos worden geïntegreerd met gegalvaniseerde stalen buizen of systemen waar lassen verboden is, zoals in ontvlambare, explosieve of zeer gevoelige industriële omgevingen. Het innovatieve ontwerp elimineert brandgevaren die gepaard gaan met lassen, garandeert naleving van strenge veiligheidsprotocollen en levert tegelijkertijd een robuuste, lekvrije afdichting die bestand is tegen hoge drukeisen. De schroefdraadverbinding maakt snelle installatie en demontage mogelijk, waardoor onderhoudsteams problemen met systemen kunnen oplossen of upgraden zonder gespecialiseerde apparatuur, waardoor de uitvaltijd bij kritieke activiteiten zoals chemische verwerking, olie- en gasdistributie of farmaceutische productie wordt verminderd.
| Grootte | DN15 (1/2 ") -DN600 (24") |
| Drukclassificatie | 0,6 - 4,0 MPa |
| Temperatuurbereik | -45℃ tot 260℃ |
| Certificaat | PED, AD2000, EAC, ABS, BV, DNV, NORSOK M650, ISO9001, ISO14001, ISO45001, ENZ. |
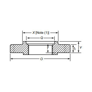
| Functie introductie | De flens met schroefdraad wordt via interne schroefdraad op de buis met schroefdraad aangesloten, waardoor lassen overbodig wordt. Ideaal voor gegalvaniseerde stalen buizen of beperkte lasomgevingen (ontvlambaar/explosief). Beschikt over eenvoudige installatie en flexibel onderhoud, bijzonder geschikt voor gelegeerd staal en andere materialen met slechte lasbaarheid. |
| Toepassingsgebieden | Van toepassing op pijpflensverbindingen in olie- en gaspijpleidingen over lange afstanden, offshore-platforms, chemische apparatuur, waterbehandelingssystemen en de voedingsmiddelen- en farmaceutische industrie, aangepast aan complexe werkomstandigheden. |
| Verpakking | Zeewaardig pakket, multiplexkoffers of pallet of volgens de eis van de klant |
| Uitgelichte producten | 1、Minimale bestelling voor kleine batches; |
Ideaal voor materialen die gevoelig zijn voor lasuitdagingen, zoals gelegeerd staal, de draadflens behoudt de materiaalintegriteit en vermijdt broosheid of vervorming veroorzaakt door hitte. De corrosiebestendige constructie, verkrijgbaar in koolstofstaal of roestvrij staal, zorgt voor een lange levensduur, zelfs in zware omstandigheden, van offshore boorplatforms tot sanitaire voorzieningen van voedselkwaliteit. Gesteund door strikte naleving van wereldwijde normen, garandeert deze flens betrouwbaarheid in toepassingen met hoge inzet, waaronder hydraulische systemen, cryogene pijpleidingen en overdracht van brandbare vloeistoffen. Voor industrieën die prioriteit geven aan veiligheid, efficiëntie en kosteneffectief onderhoud, is de Threaded Flange een transformatieve oplossing. Verbeter uw infrastructuur vandaag nog met onze hoogwaardige draadflenzen, waarbij innovatie en compromisloze veiligheid samenkomen, waardoor uw systemen feilloos kunnen werken onder de meest veeleisende omstandigheden. Kies voor vertrouwen, kies voor duurzaamheid en herdefinieer het potentieel van uw pijplijn.
Van grondstof tot uiteindelijke levering, we handhaven in elke fase strenge controles om duurzaamheid, prestaties en consistentie te garanderen.
01
02
03
04
05
06
07
08
09
10
11
12
