Het Butt Weld Stub-end is een veelzijdige oplossing voor moderne leidingsystemen, waarbij robuuste prestaties worden gecombineerd met ongeëvenaarde installatieflexibiliteit. Het is ontworpen om pijpleidingen af te sluiten en tegelijkertijd een gemakkelijke aansluiting op flenzen of andere componenten mogelijk te maken. Het vereenvoudigt het onderhoud, vermindert de stilstandtijd en zorgt voor een lekvrije integriteit, zelfs onder hoge druk en corrosieve omstandigheden. De nauwkeurig ontworpen lasnek zorgt voor een naadloze overgang tussen pijpen en flenzen, waardoor zwakke punten worden geëlimineerd en duurzaamheid op lange termijn in de meest veeleisende omgevingen wordt gegarandeerd. In industriële toepassingen zoals chemische verwerking, olie en gas en energieopwekking blinkt het Butt Weld Stub-uiteinde uit in het omgaan met schurende media, extreme temperaturen en fluctuerende druk, waardoor het risico op kostbare lekkages of storingen wordt geminimaliseerd.
| Grootte | DN15(1/2")-DN1200(48") |
| Wanddikte | Sch5S-Sch160 |
| Typ | Naadloos/gelast |
| Certificaat | PED, AD2000, EAC, ABS, BV, DNV, NORSOK M650, ISO9001, ISO14001, ISO45001, enz. |
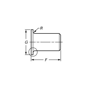
| Functie Introductie | Stub-end is een pijpfitting die de rand van de pijpmonding door middel van stampen of lassen vormt tot een verticale rand langs een specifieke bocht. Het wordt voornamelijk gebruikt voor het verbinden van buizen met flenzen, kleppen of andere buisfittingen om de afdichting en structurele sterkte te verbeteren. Het ontwerp vervangt complexe tekenprocessen, optimaliseert de materiaalstroom, vermijdt scheuren of kreuken, vermindert verwerkingsstappen en bespaart materialen. Het is vooral geschikt voor hogedruk-, corrosiebestendige of precisie-vloeistoftoevoersystemen. |
| Toepassingsgebieden | Op grote schaal gebruikt in pijpleidingsysteemverbindingen op het gebied van petrochemie, aardgastransport, elektriciteit, scheepsbouw en gemeentelijke techniek, geschikt voor omgevingen met hoge druk, hoge temperaturen en corrosieve media. |
| Verpakking | Zeewaardig pakket, multiplexkoffers of pallet of volgens de eis van de klant |
| Uitgelichte producten | 1、 Minimale bestelling voor kleine batches; |
Gemeentelijke water- en afvalwatersystemen profiteren van de corrosiebestendige materialen, zoals roestvrij staal of duplexlegeringen, die tientallen jaren betrouwbare service garanderen en tegelijkertijd voldoen aan strenge veiligheids- en hygiënenormen. De voedings- en farmaceutische industrie vertrouwt op het gladde, spleetvrije ontwerp om de hygiënische omstandigheden te behouden en besmetting te voorkomen. Door een snelle demontage en hermontage mogelijk te maken, vermindert dit onderdeel de arbeidskosten en operationele verstoringen tijdens inspecties of reparaties. Kiezen voor het Butt Weld Stub-end betekent investeren in een toekomstbestendige infrastructuur die kracht, aanpassingsvermogen en kostenefficiëntie in evenwicht houdt. Werk met ons samen om een revolutie teweeg te brengen in uw leidingsystemen: ontworpen om te presteren en gebouwd om lang mee te gaan. Neem vandaag nog contact op met onze experts en ontdek hoe dit cruciale onderdeel uw projecten naar nieuwe normen van uitmuntendheid kan tillen. Kom nu in actie om een oplossing veilig te stellen die innovatie, betrouwbaarheid en moeiteloze schaalbaarheid combineert!
Van grondstof tot uiteindelijke levering, we handhaven in elke fase strenge controles om duurzaamheid, prestaties en consistentie te garanderen.
01
02
03
04
05
06
07
08
09
10
11
12
13
14
15
